Wenzhou Joepai Valve Co., Ltd.
Wenzhou Joepai Valve Co., Ltd.
Aktualności

Aktualności

JOEPAI wprowadza na rynek nowe, ekonomiczne zawory hydrantowe ze stali nierdzewnej 304 – doskonała odporność na korozję spełnia normy AS2419.2

JEJPAIz dumą przedstawia swoją najnowszą innowację w infrastrukturze przeciwpożarowej:Nowy asortymentZawory hydrantowe ze stali nierdzewnej 304. Zaprojektowane z myślą o trwałości, zgodności i wartości, zawory te oferują:doskonała alternatywa dla tradycyjnych modeli mosiężnych—zapewniając zwiększoną odporność na korozję w bardziej konkurencyjnej cenie.

Zaprojektowane zgodnie zAS/NZS 2419.2:2009nowe zawory hydrantowe idealnie nadają się do szerokiego zakresu zastosowań, w tym komercyjnych, przemysłowych i mieszkaniowych systemów przeciwpożarowych, szczególnie wśrodowiska agresywne, takie jak środowisko morskie i górnicze.


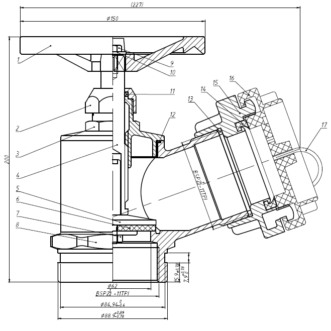
Stainless Steel 304 Fire Hydrant Valves

Najważniejsze cechy produktu:

Typ gwintu: Kątowy kuty adapter Storz 65 mm BSP z plastikową nasadką UV

Typ wlotu: Rowkowane rolki o średnicy 80 mm

Klasa materiału: Korpus, pokrywa, tarcza, nakrętka w CF8 (SS304); Trzpień ze stali SS316 dla zwiększenia wytrzymałości

Materiał uszczelnienia: Guma NBR zapewniająca niezawodną szczelność

Koło ręczne: Trwałe żeliwo HT200

Skończyć: Powłoka malowana na czerwono o wysokiej widoczności

Ciśnienie robocze: 1400 kPa

Hydrostatyczne ciśnienie próbne: 2700 kPa

Ciśnienie próby szczelności powietrznej: 800 kPa

Gwarancja: 12 miesięcy


Zgodność techniczna:

Zaprojektowane i przetestowaneAS2419.2-2009

Płynna praca pokrętła bez zacinania się po montażu

W 100% sprawdzone i przetestowane — żadnych defektów po testach hydrostatycznych i szczelności


Dlaczego warto wybrać SS304 zamiast mosiądzu?

Lepsza odporność na korozję: Idealny do trudnych warunków, w których mosiądz może z czasem ulec degradacji

Opłacalne: Oferuje tańsze rozwiązanie bez uszczerbku dla jakości i wydajności

Lekki, ale mocny: Łatwiejszy w obsłudze i montażu przy jednoczesnym zachowaniu integralności strukturalnej


Inne dostępne konfiguracje:

65 mm NSW męski x 80 mm z rowkiem walcowym

65mm CFA męski x 80mm rowkowany rolkowo

65 mm QRT męski x 65 mm męski BSP

Rowkowane rolkowo 65 mm BI x 80 mm

65 mm QRT męski x 80 mm z rowkiem walcowym

Adapter Storz 65 mm x męski BSP 65 mm

Niezależnie od tego, czy modernizujesz istniejący system, czy określasz nowy projekt, nowe zawory hydrantowe JOEPAI SS304 oferująidealna równowaga wydajności, zgodności i przystępności cenowej.

Skontaktuj się z nami już dziśaby dowiedzieć się więcej lub poprosić o wycenę.

Powiązane wiadomości
Zostaw mi wiadomość
X
Używamy plików cookie, aby zapewnić lepszą jakość przeglądania, analizować ruch w witrynie i personalizować zawartość. Korzystając z tej witryny, wyrażasz zgodę na używanie przez nas plików cookie. Polityka prywatności
Odrzucić Przyjąć